杭州先锋电机厂
服务热线:
86-571-88773665
首页
走进先锋
公司介绍
厂区风采
资质荣誉
企业文化
组织架构
产品中心
Z4系列直流电机
Z2系列直流电机
ZBJ型直流变桨电动机
Z系列直流电机
M系列高速变频主轴电机(木工电机)
YVP系列交流变频电机
船用系列直流电机
稀土直流伺服机组宽调速电机
ZZYH-42型直流电机
XTD系列节能专业稀土同步电机
ZFQZ型频繁起制动直流电动机
各种异型电机
机组系列
修理中心
常见故障原因
技术展示
电机修理工艺流程
服务中心
质量保证
电机配件
在线预订
联系我们
联系方式
地图
首页
>
产品中心
>
稀土直流伺服机组宽调速电机
> 正文
先锋电机
xianfeng electric machinek
产品中心
Z4系列直流电机
Z2系列直流电机
ZBJ型直流变桨电动机
Z系列直流电机
M系列高速变频主轴电机(木工电机)
YVP系列交流变频电机
船用系列直流电机
稀土直流伺服机组宽调速电机
ZZYH-42型直流电机
XTD系列节能专业稀土同步电机
ZFQZ型频繁起制动直流电动机
各种异型电机
机组系列
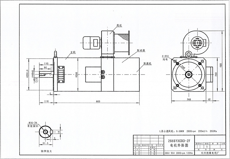
稀土直流伺服机组宽调速电机
永磁直流伺服电动机
电机型号:GW266SYXC01-ZF-A
额定功率:23KW
额定转矩:120NM
额定电压:280V
额定转速:2000RPM
额定电流:90A
输出斜率:20V/Kr/min
工作制:S1
强风制动器电压:24VDC
制动力矩:125NM
励磁方式:永磁
工作方式:S1
防护等级:IP55
绝缘等级:F级
上一篇:已经没有了
下一篇:已经没有了
1749849227